acura legend radio wiring diagram

46 2004 Acura Tl Radio Wiring Diagram - Wiring Diagram Source Online. 17 Pictures about 46 2004 Acura Tl Radio Wiring Diagram - Wiring Diagram Source Online : Acura Legend (1986 - 1987) - wiring diagram - audio - Carknowledge.info, Acura Legend Radio Wiring - Wiring Diagram Networks and also 46 2004 Acura Tl Radio Wiring Diagram - Wiring Diagram Source Online.

46 2004 Acura Tl Radio Wiring Diagram - Wiring Diagram Source Online

46 2004 Acura Tl Radio Wiring Diagram - Wiring Diagram Source Online apiccolisogni.blogspot.com

cts acura

Acura Rsx Engine Bay Diagram - Wiring Diagram Networks

Acura Rsx Engine Bay Diagram - Wiring Diagram Networks kelvin-okl.blogspot.com

fuse integra rsx fusibles gsr fuses

Acura Ilx Radio Wiring Diagram HP PHOTOSMART PRINTER

Acura Ilx Radio Wiring Diagram HP PHOTOSMART PRINTER acurawiringdiagrams.blogspot.com

acura wiring diagram radio ilx tl 2003 amp wire audio navigation printer helps

2003 Acura Tl Bose Stereo Wiring Diagram

2003 Acura Tl Bose Stereo Wiring Diagram schematron.org

acura bose harness diagrams headunit aftermarket

The $7000 4th Gen Acura TL Tech Project! - Page 3 - AcuraZine - Acura

The $7000 4th Gen Acura TL Tech Project! - Page 3 - AcuraZine - Acura acurazine.com

acura tl 4th gen tech project acurazine

2002 Ford F150 Radio Wiring Harness

2002 Ford F150 Radio Wiring Harness blogroflor.blogspot.com

f150 f250 f150online

46 2004 Acura Tl Radio Wiring Diagram - Wiring Diagram Source Online

46 2004 Acura Tl Radio Wiring Diagram - Wiring Diagram Source Online apiccolisogni.blogspot.com

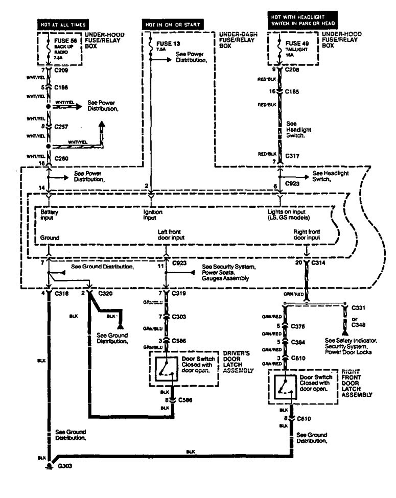
Acura Legend (1986 - 1987) - Wiring Diagram - Audio - Carknowledge.info

Acura Legend (1986 - 1987) - wiring diagram - audio - Carknowledge.info www.carknowledge.info

legend wiring acura diagram audio 1986 1987 carknowledge info

Factory Acura Stereo Wiring Diagram - Wiring Diagram & Schemas

Factory Acura Stereo Wiring Diagram - Wiring Diagram & Schemas wiringideas.blogspot.com

buick ignition skylark cutlass oldsmobile lesabre freightliner integra f550 oldcarmanualproject c30 2020cadillac alternator intrigue

I Need A Wiring Diagram (ISEARCHED) - The Acura Legend & Acura RL Forum

I need a wiring Diagram (ISEARCHED) - The Acura Legend & Acura RL Forum www.acura-legend.com

acura diagram legend wiring rl

35 Pioneer Cd Player Wiring Diagram - Wiring Diagram Database

35 Pioneer Cd Player Wiring Diagram - Wiring Diagram Database kovodym.blogspot.com

Acura Oem Radio Wire Diagram - Wiring Diagram Networks

Acura Oem Radio Wire Diagram - Wiring Diagram Networks kelvin-okl.blogspot.com

acura diagram radio wire tlx oem wiring faq audio system

I Need The Full Wiring Diagram - AcuraZine - Acura Enthusiast Community

I need the full wiring diagram - AcuraZine - Acura Enthusiast Community acurazine.com

Wiring Diagram 2005 Acura Tl - Complete Wiring Schemas

Wiring Diagram 2005 Acura Tl - Complete Wiring Schemas wiring89.blogspot.com

bose 2002 rsx integra radiowiring

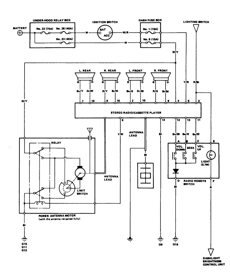
Acura Legend Radio Wiring - Wiring Diagram Networks

Acura Legend Radio Wiring - Wiring Diagram Networks kelvin-okl.blogspot.com

wiring acura legend radio diagram tl 2004

Siwire: 1990 Acura Legend Wiring Diagram

siwire: 1990 Acura Legend Wiring Diagram siwirediagram.blogspot.com

acura diagram wiring legend 1990 integra wire fuse box location radio pump fuel

[VF_4058] Acura Tsx 2004 Engine Diagram Wiring Diagram

[VF_4058] Acura Tsx 2004 Engine Diagram Wiring Diagram inoma.ratag.arcin.chor.orsal.lite.dogan.gray.bocep.mohammedshrine.org

tsx a51 s6m

Acura bose harness diagrams headunit aftermarket. 2002 ford f150 radio wiring harness. Wiring diagram 2005 acura tl