acura integra wiring diagram radio

1990 Acura Integra Installation Parts, harness, wires, kits, bluetooth. 17 Images about 1990 Acura Integra Installation Parts, harness, wires, kits, bluetooth : 1990 Acura Integra Wiring Diagram - siwire: 1990 Acura Legend Wiring, 1997 Acura Integra Radio Short Circuiting: Electrical Problem 1997... and also SOLVED: Need stereo wiring diagram for 1991 acura legend - Fixya.

1990 Acura Integra Installation Parts, Harness, Wires, Kits, Bluetooth

1990 Acura Integra Installation Parts, harness, wires, kits, bluetooth www.installer.com

1990 stereo installation parts acura integra installer

Acura Rl Engine Bay Diagram - Wiring Diagram Networks

Acura Rl Engine Bay Diagram - Wiring Diagram Networks kelvin-okl.blogspot.com

acura engine rl legend cutaway diagram nsx carimages khulsey transmission v6 illustrations bay illustration manual drive integra

Wiring Diagram 2012 Acura Tsx Lights Images - Wiring Diagram Sample

Wiring Diagram 2012 Acura Tsx Lights Images - Wiring Diagram Sample faceitsalon.com

tsx acurazine

1997 Acura Integra Radio Short Circuiting: Electrical Problem 1997...

1997 Acura Integra Radio Short Circuiting: Electrical Problem 1997... www.2carpros.com

integra acura radio 1997 diagrams circuiting short helps hope

Amp Wiring Diagram - AcuraZine - Acura Enthusiast Community

Amp Wiring Diagram - AcuraZine - Acura Enthusiast Community acurazine.com

wiring diagram amp acurazine

1990 Acura Integra Wiring Diagram - Siwire: 1990 Acura Legend Wiring

1990 Acura Integra Wiring Diagram - siwire: 1990 Acura Legend Wiring ag8upppppp.blogspot.com

acura integra e46 dash 2carpros saturn fuse mdx circuiting sl2 thxsiempre

SOLVED: Need Stereo Wiring Diagram For 1991 Acura Legend - Fixya

SOLVED: Need stereo wiring diagram for 1991 acura legend - Fixya www.fixya.com

integra stereo fixya mdx schematics

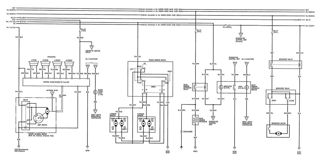
Acura Integra (1992 - 1993) - Wiring Diagrams - Audio System

Acura Integra (1992 - 1993) - wiring diagrams - audio system www.carknowledge.info

wiring 1992

1995 Acura Integra Installation Parts, Harness, Wires, Kits, Bluetooth

1995 Acura Integra Installation Parts, harness, wires, kits, bluetooth www.installer.com

stereo installation parts

ACURA INTEGRA 90-93 WIRING 4.5MB PDF

ACURA INTEGRA 90-93 WIRING 4.5MB PDF fstpnet.eu

Wiring Diagram 2005 Acura Tsx Stereo With Nav. Database | Wiring Collection

Wiring Diagram 2005 Acura Tsx Stereo With Nav. Database | Wiring Collection headcontrolsystem.com

wiring tsx tsxclub

98 Civic Wiring Diagram - Wiring Diagram Networks

98 Civic Wiring Diagram - Wiring Diagram Networks kelvin-okl.blogspot.com

wiring cluster civic honda integra 94 diagram 96 accord into diagrams s2000 2000 radio tech 2001 sol del swap guide

Wiring Schematics

Wiring Schematics wiringschems.blogspot.com

ecosport

96 Acura 2 5 Engine Diagram - Wiring Diagram Networks

96 Acura 2 5 Engine Diagram - Wiring Diagram Networks kelvin-okl.blogspot.com

acura fuse rl diagram box 2002 relay ac honda where engine civic suspension rear 2008 tsx wiring integra mount

[RM_3665] Acura Tl Suspension Parts Diagram On Acura Tl Front

[RM_3665] Acura Tl Suspension Parts Diagram On Acura Tl Front piot.simij.magn.xempag.xortanet.peted.remca.exxlu.spon.cajos.omit.greas.benkeme.mohammedshrine.org

acura knuckle circlip a01 sr0 sturzversteller n10 s04

Acura Online Store : 1999 Integra Auto Radio Parts

Acura online store : 1999 integra auto radio parts estore.honda.com

acura integra estore

Remote Start Wiring Specs - AcuraZine - Acura Enthusiast Community

Remote Start wiring specs - AcuraZine - Acura Enthusiast Community acurazine.com

remote start wiring specs

1995 acura integra installation parts, harness, wires, kits, bluetooth. Wiring tsx tsxclub. Wiring diagram 2005 acura tsx stereo with nav. database