98 civic wiring diagram radio

Honda Civic 2001 Main Relay Fuse Box/Block Circuit Breaker Diagram. 16 Images about Honda Civic 2001 Main Relay Fuse Box/Block Circuit Breaker Diagram : radio wiring diagram for a 2006 honda crv 98 honda civic wiring 2003, 2000 Civic Radio Wiring Diagram and also 93 Honda Civic Radio Wiring Diagram.

Honda Civic 2001 Main Relay Fuse Box/Block Circuit Breaker Diagram

Honda Civic 2001 Main Relay Fuse Box/Block Circuit Breaker Diagram www.carfusebox.com

condenser 1998 carfusebox starter

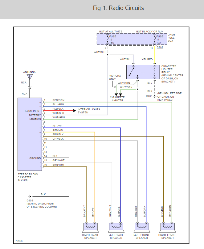
43 95 Honda Civic Radio Wiring Diagram - Wiring Diagram Source Online

43 95 Honda Civic Radio Wiring Diagram - Wiring Diagram Source Online apiccolisogni.blogspot.com

wiring installer wires picsbud honda4

96 Honda Civic Alarm Wiring Diagram - Wiring Diagram Networks

96 Honda Civic Alarm Wiring Diagram - Wiring Diagram Networks kelvin-okl.blogspot.com

civic alarm wiring honda diagram 2003 entry keyless install fuse location switch module pro street eg box pump aftermarket vehicle

99-00 Civic OEM Radio Wiring Diagram - Honda-Tech - Honda Forum Discussion

99-00 Civic OEM radio wiring diagram - Honda-Tech - Honda Forum Discussion honda-tech.com

civic honda diagram wiring oem radio tech 2000

Honda Civic 2002 Lx Radio Wiring Extreme Problem...!!! - Honda Civic Forum

Honda civic 2002 lx radio wiring extreme problem...!!! - Honda Civic Forum www.civicforums.com

harness civicforums crv imageservice crx accord g503 specific

I Need The Diagram To Put A New Radio In

I need the diagram to put a new radio in www.justanswer.com

diagrams installed

Eg Civic Fuse Box Wiring Diagram - Diagrams Wiring : Eg Civic Fuse Box

Eg Civic Fuse Box Wiring Diagram - Diagrams Wiring : Eg Civic Fuse Box diyswimsuit.blogspot.com

imageservice justanswer carjunky www7 fuses

93 Honda Civic Radio Wiring Diagram

93 Honda Civic Radio Wiring Diagram nza-lala.blogspot.com

wiring galaxie fairlane cargurus choke ranchero f250 easywiring hubs raptor bois assumes accuracy schakelaars

2002 Honda Civic Lx Radio Wiring Diagram Images - Wiring Diagram Sample

2002 Honda Civic Lx Radio Wiring Diagram Images - Wiring Diagram Sample faceitsalon.com

lx rx8 demio protege 2carpros warrick fms daihatsu

43 8th Gen Civic Radio Wiring Diagram - Wiring Diagram Source Online

43 8th Gen Civic Radio Wiring Diagram - Wiring Diagram Source Online apiccolisogni.blogspot.com

upgrades

Honda Civic Wiring Harness Diagram - Flilpfloppinthrough

Honda Civic Wiring Harness Diagram - flilpfloppinthrough flilpfloppinthrough.blogspot.com

2900

Radio Wiring Diagram For A 2006 Honda Crv 98 Honda Civic Wiring 2003

radio wiring diagram for a 2006 honda crv 98 honda civic wiring 2003 www.pinterest.com

wiring chevy

2000 Civic Radio Wiring Diagram

2000 Civic Radio Wiring Diagram wiringdiagramsx.blogspot.com

wiring diagram radio civic honda 2000 stereo electrical nice

96 Civic Radio Wiring Diagram - Wiring Diagram

96 Civic Radio Wiring Diagram - Wiring Diagram wiringdiagram101.blogspot.com

bohn

42 2002 Honda Civic Radio Wiring Diagram - Wiring Diagram Source Online

42 2002 Honda Civic Radio Wiring Diagram - Wiring Diagram Source Online apiccolisogni.blogspot.com

honda

Civic Dx 94 Wiring Diagram - Wiring Diagram

Civic Dx 94 Wiring Diagram - Wiring Diagram cars-trucks24.blogspot.com

wrg

Honda civic 2001 main relay fuse box/block circuit breaker diagram. Diagrams installed. Lx rx8 demio protege 2carpros warrick fms daihatsu