97 eclipse stereo wiring diagram

Audi Tt Stereo Wiring Harness | schematic and wiring diagram. 9 Pics about Audi Tt Stereo Wiring Harness | schematic and wiring diagram : Audi Tt Stereo Wiring Harness | schematic and wiring diagram, 1997 Eclipse Gst Wiring Diagram - Wiring Diagram and also 3rd gen eclipse stereo wiring | Doovi.

Audi Tt Stereo Wiring Harness | Schematic And Wiring Diagram

Audi Tt Stereo Wiring Harness | schematic and wiring diagram schematicandwiringdiagram.blogspot.com

eclipse mitsubishi genteq balboa 2g duramax

3000gt Wiring Harnes Diagram - Wiring Diagram Networks

3000gt Wiring Harnes Diagram - Wiring Diagram Networks kelvin-okl.blogspot.com

3000gt harnes

Wiring Diagram PDF: 2003 Eclipse Wiring Diagram

Wiring Diagram PDF: 2003 Eclipse Wiring Diagram wiring-pdf.blogspot.com

patentimages imageservice envoy

97 Land Rover Discovery Wiring

97 Land Rover Discovery Wiring hestiahelper.blogspot.com

1997 Eclipse Gst Wiring Diagram - Wiring Diagram

1997 Eclipse Gst Wiring Diagram - Wiring Diagram wiringdiagram.2bitboer.com

gst

95 Mitsubishi Eclipse Radio Wiring - Fuse & Wiring Diagram

95 Mitsubishi Eclipse Radio Wiring - Fuse & Wiring Diagram fusewiring.blogspot.com

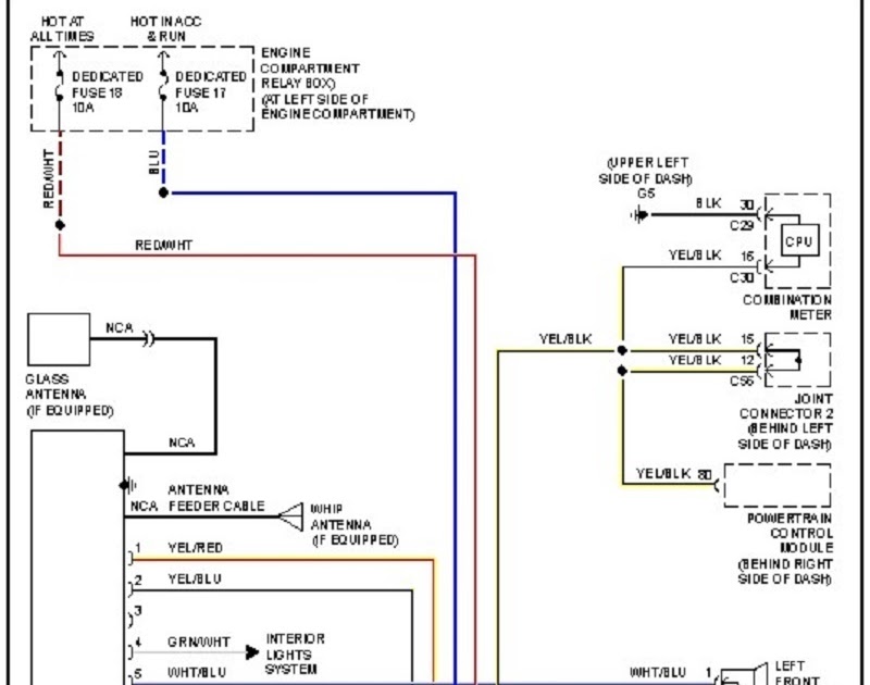
97 Eclipse Radio Wiring Diagram / Repair Diagrams For 1997 Mitsubishi

97 Eclipse Radio Wiring Diagram / Repair Diagrams for 1997 Mitsubishi ex500-wiring-diagram.blogspot.com

galant fuse tankbig justanswer imageservice mito

Headlight Switch Wiring 1956 Ford | Wiring Diagram

Headlight Switch Wiring 1956 Ford | Wiring Diagram autozone.17.sisamben.de

dimmer furthermore

3rd Gen Eclipse Stereo Wiring | Doovi

3rd gen eclipse stereo wiring | Doovi www.doovi.com

wiring eclipse stereo mitsubishi amplifier infinity 1997 3rd gen harness din cable

Wiring eclipse stereo mitsubishi amplifier infinity 1997 3rd gen harness din cable. 97 land rover discovery wiring. 3rd gen eclipse stereo wiring