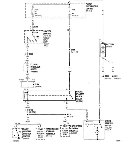
94 town car starter diagram

| Repair Guides | Starting System | Starter | AutoZone.com. 16 Pics about | Repair Guides | Starting System | Starter | AutoZone.com : 46 Car Starter Wiring Diagram - Wiring Diagram Source Online, Starter Location Needed: I Have Had This Vehicle for About 5 Years... and also | Repair Guides | Engine Electrical | Starter | AutoZone.com.

| Repair Guides | Starting System | Starter | AutoZone.com

| Repair Guides | Starting System | Starter | AutoZone.com www.autozone.com

starter gmc autozone fixya

| Repair Guides | Engine Electrical | Starter | AutoZone.com

| Repair Guides | Engine Electrical | Starter | AutoZone.com www.autozone.com

starter autozone fig carefully lower vehicle then repair

Repair Guides

Repair Guides www.autozone.com

1992

2009 Jeep Patriot Fuse Box Location | Wire

2009 Jeep Patriot Fuse Box Location | Wire tinyjudson.blogspot.com

arctic 400l ranger efi

Index Of /lincoln/pictures9

Index of /lincoln/pictures9 www.superstitiongold.com

pictures9 lincoln

2006 Dodge Charger Cooling Fan Relay Location - CHARGER ABOUT

2006 Dodge Charger Cooling Fan Relay Location - CHARGER ABOUT chargerku.blogspot.com

relay 2006 dodge location fan durango fuse ac charger cooling blower motor

How Do I Change The Starter On A 2000 S-10 Four Cyl?

How do I change the starter on a 2000 S-10 four cyl? www.justanswer.com

starter cyl 2000 four change justanswer procedure installation

[DIAGRAM] 04 Freightliner Wiring Diagram FULL Version HD Quality Wiring

[DIAGRAM] 04 Freightliner Wiring Diagram FULL Version HD Quality Wiring diagramquicken.efran.it

freightliner fuse supermotors

Repair Guides

Repair Guides www.autozone.com

chevy starter 1986 repair fig flywheel direction nova does guide 1985 installation

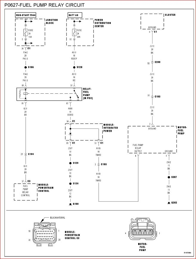
Integra Fuel Pump Wiring Diagram

Integra Fuel Pump Wiring Diagram blogmaygomes.blogspot.com

acura blogmaygomes

Index Of /lincoln/pictures11

Index of /lincoln/pictures11 superstitiongold.com

pictures11 lincoln

Starter Location: Where Is The Starter Located? I Need To Replace

Starter Location: Where Is the Starter Located? I Need to Replace www.2carpros.com

starter location sponsored links enlarge

46 Car Starter Wiring Diagram - Wiring Diagram Source Online

46 Car Starter Wiring Diagram - Wiring Diagram Source Online apiccolisogni.blogspot.com

wiring starter valet yenpancane jeanjaures37

Ignition Starter: My Trucks Starter Staying Engaged In Park And

Ignition Starter: My Trucks Starter Staying Engaged in Park and www.2carpros.com

starter ignition enlarge

Starter Will Not Turn Over The Engine?

Starter Will Not Turn Over the Engine? www.2carpros.com

Starter Location Needed: I Have Had This Vehicle For About 5 Years...

Starter Location Needed: I Have Had This Vehicle for About 5 Years... www.2carpros.com

How do i change the starter on a 2000 s-10 four cyl?. Acura blogmaygomes. Starter ignition enlarge