4age 16v wiring diagram

4age Distributor Wiring Diagram. 14 Images about 4age Distributor Wiring Diagram : 4age 16v Wiring Diagram, Toyota 4age Blacktop 20v Wiring Diagram - Gallery 4K and also ᴴᴰCorolla E11 4AGE 20V BT swap guide [Part 4.1B: Wiring Harness, Fuse.

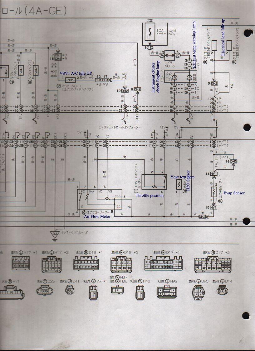
4age Distributor Wiring Diagram

4age Distributor Wiring Diagram diagramweb.net

wiring diagram 4age distributor engine ecu ae92 ae86 ignition diagrams tech series rollaclub bought recently half through way which

4Age Wiring Help!! - Car Electrical - Rollaclub.com

4Age Wiring Help!! - Car Electrical - rollaclub.com www.rollaclub.com

4age wiring help rollaclub thanks again

4age 16v Distributor Wiring Diagram

4age 16v Distributor Wiring Diagram diagramweb.net

ecu 4age pinout avanza ae92 alphard 20v ae86 kelistrikan hendy p28 jerr diah diagramweb

AE101 4age Wiring Diagram (4AGE 20V Silvertop) - BEN9166

AE101 4age wiring diagram (4AGE 20V Silvertop) - BEN9166 www.ben9166.com

wiring diagram 4age 20v silvertop engine 16v toyota ae101 diagrams workshop 4a

4age 16v Wiring Diagram

4age 16v Wiring Diagram munshi-1sekolah1blog.blogspot.com

wiring diagram 4age 16v 20v ae86 write swap diy into coil ignition megasquirt bosch control ii

4age 16v Injector Wiring Problemo

4age 16v Injector wiring problemo club4ag.com

4age 16v wiring injector problemo rtfm aeu86 technical

Manuales Toyota | JDM

Manuales Toyota | JDM borisgarage.wordpress.com

4age 20v silvertop ae101 diagrama perodua ecu ae86 4g15 3sge ae111 blacktop innova kancil carburetor celica 5sfe viva manuales cableado

85 86 87 88 89 Toyota MR2 OEM 4AGE Engine Wiring Harness – Autopartone.com

85 86 87 88 89 Toyota MR2 OEM 4AGE Engine Wiring Harness – Autopartone.com www.autopartone.com

4age mr2 16v autopartone

Toyota 4age Blacktop 20v Wiring Diagram - Gallery 4K

Toyota 4age Blacktop 20v Wiring Diagram - Gallery 4K www.gallery4k.com

20v 4age blacktop 4ag ecu ae101 z225

4age Distributor Wiring Diagram

4age Distributor Wiring Diagram diagramweb.net

wiring diagram alternator 4age distributor 16v engine blacktop 20v diagrams plug found

Ae86 4age 16v Wiring Diagram - COMETOLIGHTUPTHEDARK

Ae86 4age 16v Wiring Diagram - COMETOLIGHTUPTHEDARK cometolightupthedark.blogspot.com

4age 20v perodua kancil ben9166 distributor ae86 swap klodran

4Age Wiring Questions- Where Are The Gurus? - Car Electrical

4Age Wiring Questions- Where Are The Gurus? - Car Electrical www.rollaclub.com

4age gurus wiring questions where rollaclub quote

4age 16v Wiring Diagram

4age 16v Wiring Diagram munshi-1sekolah1blog.blogspot.com

hermosillo building mexico architect interior 4age 16v wiring diagram

ᴴᴰCorolla E11 4AGE 20V BT Swap Guide [Part 4.1B: Wiring Harness, Fuse

ᴴᴰCorolla E11 4AGE 20V BT swap guide [Part 4.1B: Wiring Harness, Fuse www.youtube.com

4age wiring 20v box fuse harness swap e11

4age wiring questions- where are the gurus?. Ae101 4age wiring diagram (4age 20v silvertop). Wiring diagram 4age 16v 20v ae86 write swap diy into coil ignition megasquirt bosch control ii