4 way flasher wiring diagram

Turn signals won't work. 4 way flashers work. Fuses good. You can feel. 16 Images about Turn signals won't work. 4 way flashers work. Fuses good. You can feel : 4 Way Flashers, Flashers and Hazards and also Wiring diagrams to assist you with connecting up.

Turn Signals Won't Work. 4 Way Flashers Work. Fuses Good. You Can Feel

Turn signals won't work. 4 way flashers work. Fuses good. You can feel www.justanswer.com

turn way wiring fuses flashers signals schematic heres

Wiring Up 4-way Flashers That Work When Key Is Off - DR-Z 400 - ThumperTalk

Wiring up 4-way flashers that work when key is off - DR-Z 400 - ThumperTalk www.thumpertalk.com

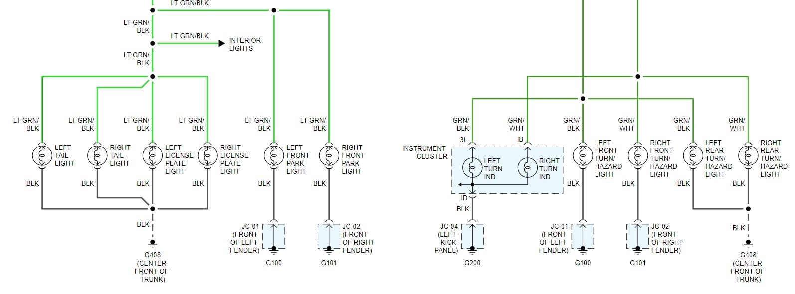
wiring switch anyone does would know type

Wiring Schematics For Flasher Unit And Hazard Lights Needed

Wiring Schematics for Flasher Unit and Hazard Lights Needed www.2carpros.com

flasher

12V Electronic 4 Terminal

12V Electronic 4 terminal www.autoelectricsupplies.co.uk

wiring diagram 12v electronic terminal autoelectricsupplies

2005 F650 XLT. Signal Lights & 4 Way Flashers Not Working. Doesn't Seem

2005 F650 XLT. Signal lights & 4 way flashers not working. Doesn't seem www.justanswer.com

signal switch f650 diagram ford wiring 2005 flasher multifunction flashers lights working relay ohms between than circuit block way resistance

Wiring Diagrams To Assist You With Connecting Up

Wiring diagrams to assist you with connecting up www.dynamoregulatorconversions.com

flasher wiring diagram relay wire indicator led circuit electronic diagrams three schematic basic connecting

Emergency Flasher Retrofit For 122/1800

Emergency Flasher Retrofit for 122/1800 sw-em.com

flasher emergency wiring 1800 switch sw

Powerdynamo, AC Flasher Unit

Powerdynamo, AC flasher unit www.powerdynamo.biz

flasher unit powerdynamo wiring diagram

Flasher Functionality Question

Flasher functionality question www.dodgecharger.com

flasher ruud flashers

38 3 Pin Flasher Unit Wiring Diagram - Wiring Diagram Online Source

38 3 Pin Flasher Unit Wiring Diagram - Wiring Diagram Online Source sitzone.blogspot.com

flasher ef32 2pin hyper

3 Prong Flasher Wiring Diagram | Wiring Diagram Image

3 Prong Flasher Wiring Diagram | Wiring Diagram Image mainetreasurechest.com

flasher db10 remlicht flashers richtingaanwijzer schéma clignotants boite alternatief

4 Way Flashers

4 Way Flashers www.vulcangadgets.com

flasher wiring relay diagram signal turn way 12v prong flashers grote led bosch switch volt universal 30a power terminal relays

2005 F650 XLT. Signal Lights & 4 Way Flashers Not Working. Doesn't Seem

2005 F650 XLT. Signal lights & 4 way flashers not working. Doesn't seem www.justanswer.com

wiring f650 diagram signal lights 2000 engine working ford turn 2005 650 fuse flashers diagrams way

Flashers And Hazards

Flashers and Hazards netlink.net

bus hazard flasher diagram relay switch turn way signal volt flashers wiring positive vw indicator circuit lights terminal ground light

How To Wire Up Turn Signal Flasher 3 Prong | My Wiring DIagram

How to Wire Up Turn Signal Flasher 3 Prong | My Wiring DIagram detoxicrecenze.com

flasher monza wrg corvair

4 Way And Turn Signal Flashers Revisted - Alfa Romeo Bulletin Board

4 Way and Turn Signal Flashers Revisted - Alfa Romeo Bulletin Board www.alfabb.com

turn signal way flashers revisted diagram romeo alfa wiring forums spider

Flasher monza wrg corvair. Flasher wiring diagram relay wire indicator led circuit electronic diagrams three schematic basic connecting. Wiring diagram 12v electronic terminal autoelectricsupplies