2014 toyota sienna engine diagram

Toyota Sienna Pipe assembly, exhaust, front. Engine - 174100A390. 18 Pics about Toyota Sienna Pipe assembly, exhaust, front. Engine - 174100A390 : 2014 Toyota Sienna Ambient Air Temperature Sensor. COOLER (AMBIENT TEMP, Toyota Sienna Service Manual: Engine assembly - 2Gr-fe engine control and also Toyota Sienna Pipe assembly, exhaust, front. Engine - 174100A390.

Toyota Sienna Pipe Assembly, Exhaust, Front. Engine - 174100A390

Toyota Sienna Pipe assembly, exhaust, front. Engine - 174100A390 parts.toyotaofelcajon.com

sienna damper muffler insulator

2007 TOYOTA SIENNA Engine Coolant Hose (Upper) - 1628131030 | Toyota

2007 TOYOTA SIENNA Engine Coolant Hose (Upper) - 1628131030 | Toyota parts.lakelandtoyota.com

oil toyota engine cooler 2007 line avalon pipe lexus diagram sienna hose 2008 parts fe rx 2gr highlander replacement lines

Toyotum Camry Engine Diagram

Toyotum Camry Engine Diagram hestiahelper.blogspot.com

tacoma toyotum detoxicrecenze

2007 Lexus Es 350 Timing Belt Or Chain

2007 Lexus Es 350 Timing Belt Or Chain maspencef.blogspot.com

2gr camry estima

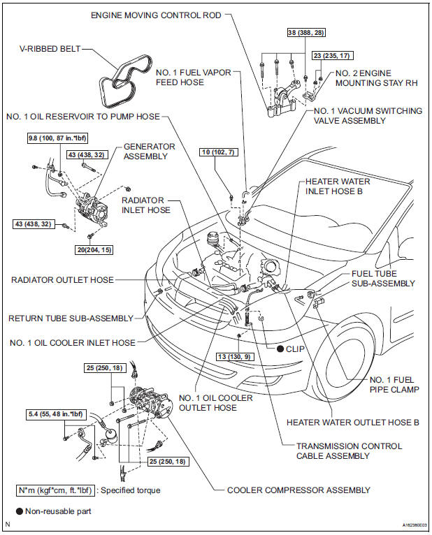
Toyota Sienna Service Manual: Engine Assembly - 2Gr-fe Engine Control

Toyota Sienna Service Manual: Engine assembly - 2Gr-fe engine control www.tsienna.net

engine assembly sienna system toyota manual service pressure

2018 CASCADIA FUSE BOX - Auto Electrical Wiring Diagram

2018 CASCADIA FUSE BOX - Auto Electrical Wiring Diagram electrowiring.herokuapp.com

wiring camry diagram toyota avalon 2001 solara 2000 radio abs electrical repair autozone stereo fuse box diagrams 1997 cascadia ignition

2005 Toyota Sienna Parts Diagram - Diagram Resource Gallery

2005 Toyota Sienna Parts Diagram - Diagram Resource Gallery revepinphdi.blogspot.com

diagram

2014 Toyota Sienna Ambient Air Temperature Sensor. COOLER (AMBIENT TEMP

2014 Toyota Sienna Ambient Air Temperature Sensor. COOLER (AMBIENT TEMP parts.toyota.com

toyota air sienna ambient sensor temperature thermistor cooler temp parts

04 Toyota Sienna How Remove Engine - YouTube

04 Toyota sienna how remove engine - YouTube www.youtube.com

engine sienna toyota remove

Toyota Sienna Stopper, Front Suspension Member Body Mounting, Rear

Toyota Sienna Stopper, front suspension member body mounting, rear parts.jimellistoyota.com

brace

2002 Toyota Sienna Replacement Engine Parts – CARiD.com

2002 Toyota Sienna Replacement Engine Parts – CARiD.com www.carid.com

engine sienna toyota belt timing replace 2002 block remanufactured 2000 replacement 2001 parts 2003 847a carid pump 1mz source

Toyota Sienna Wheel Bearing And Hub (Left, Right, Rear). REAR AXLE

Toyota Sienna Wheel Bearing and Hub (Left, Right, Rear). REAR AXLE parts.toyota.com

toyota rear hub axle sienna left right bearing wheel parts

Keiko And Lars; Lars Mohr: Repairing 2001 Toyota Sienna Check Engine

Keiko and Lars; Lars Mohr: Repairing 2001 Toyota Sienna Check Engine larsmohr.blogspot.ca

sienna toyota 2001 catalytic converter sensor p0420 o2 engine repairing check van code light

2011 Toyota Sienna Engine Assembly - ENGINE ASSEMBLY 1 YEAR WARRANTY

2011 Toyota Sienna engine assembly - ENGINE ASSEMBLY 1 YEAR WARRANTY www.tlsautorecycling.com

sienna toyota assembly engine

2005 Toyota Sienna Repair Manual Free Download

2005 toyota sienna repair manual free download adoreyourplace.net

Toyota Sienna Service Manual: Engine Assembly - 2Gr-fe Engine Control

Toyota Sienna Service Manual: Engine assembly - 2Gr-fe engine control www.tsienna.net

engine assembly sienna toyota removal manual service 2gr fe

Toyota Sienna Service Manual: Engine Unit - 2Gr-fe Engine Control

Toyota Sienna Service Manual: Engine unit - 2Gr-fe engine control www.tsienna.net

engine unit sienna toyota manual service

2001 Toyota Sienna Engine Swap - YouTube

2001 toyota sienna engine swap - YouTube www.youtube.com

sienna 2001 engine

Toyota sienna service manual: engine unit. 2gr camry estima. 2007 lexus es 350 timing belt or chain