2014 sprinter stereo wiring diagram

Sprinter Rear Camera Wire Diagram - Complete Wiring Schemas. 15 Images about Sprinter Rear Camera Wire Diagram - Complete Wiring Schemas : Wiring Diagram & Tutorial for Camper Van: Transit, Sprinter, ProMaster, Mercedes Sprinter Trailer Wiring Diagram - Wiring Diagram and also Mercede Benz C320 Wiring Diagram - Wiring Diagram.

Sprinter Rear Camera Wire Diagram - Complete Wiring Schemas

Sprinter Rear Camera Wire Diagram - Complete Wiring Schemas wiring89.blogspot.com

sprinter diagram wiring mercedes radio wire camera rear benz 2500 van

Mercedes Sprinter Trailer Wiring Diagram - Wiring Diagram

Mercedes Sprinter Trailer Wiring Diagram - Wiring Diagram wiringdiagram101.blogspot.com

Mercedes Sprinter Backup Camera Wiring Diagram | Wiring People

Mercedes Sprinter Backup Camera Wiring Diagram | wiring people wiringexpress.blogspot.com

sprinter ccd wiring beibeika

Mercedes W639 Radio Connections : Mercedes Benz Vito 2004 2014 Car

Mercedes W639 Radio Connections : Mercedes Benz Vito 2004 2014 Car jonty-robbins.blogspot.com

seicane w639 vito w315 w318 w209 w311 w906 jonty robbins tittle

Dodge Sprinter Wiring Harnes - Wiring Schema Collection

Dodge Sprinter Wiring Harnes - Wiring Schema Collection wiringschema.blogspot.com

wiring xterra nissan diagram 2005 sprinter dodge light blower control air ac fan illuminated 2009 conditioner inop schema justanswer

MERCEDES SPRINTER RADIO WIRE HARNESS - Auto Electrical Wiring Diagram

MERCEDES SPRINTER RADIO WIRE HARNESS - Auto Electrical Wiring Diagram edu-apps.herokuapp.com

[DIAGRAM] Sprinter Stock Stereo Upgrade And Speaker Replacement Wiring

[DIAGRAM] Sprinter Stock Stereo Upgrade And Speaker Replacement Wiring diagramboyesh.ristorantegioia2fiumicino.it

jbl toyota camry harness rav4 highlander aftermarket joying bookingritzcarlton sprinter hizpo headcontrolsystem subwoofer installation

Wiring Diagram PDF: 2002 Sprinter Wiring Diagrams

Wiring Diagram PDF: 2002 Sprinter Wiring Diagrams wiring-pdf.blogspot.com

Mercede Benz C320 Wiring Diagram - Wiring Diagram

Mercede Benz C320 Wiring Diagram - Wiring Diagram wiring121.blogspot.com

mercedes benz wiring diagram vito 1993 190e starting washer wiper towbar diagrams c320 carknowledge info brake system

Wiring Diagram & Tutorial For Camper Van: Transit, Sprinter, ProMaster

Wiring Diagram & Tutorial for Camper Van: Transit, Sprinter, ProMaster www.pinterest.com

faroutride promaster campervan victron sterling electrics bb1260 1920px calculator

2012 Mercedes Sprinter 2500 Wiring Diagram - Floral Arrangement Design

2012 Mercedes Sprinter 2500 Wiring Diagram - Floral Arrangement Design jbusquetr.blogspot.com

Mercedes Benz Sprinter Wiring Diagram | Wiring Diagram Database

Mercedes Benz Sprinter Wiring Diagram | Wiring Diagram Database carlosvicentederoux.org

sprinter electric

Sprinter Van Conversion Rough Wiring

Sprinter Van Conversion Rough Wiring www.sustainablevanlife.com

sprinter

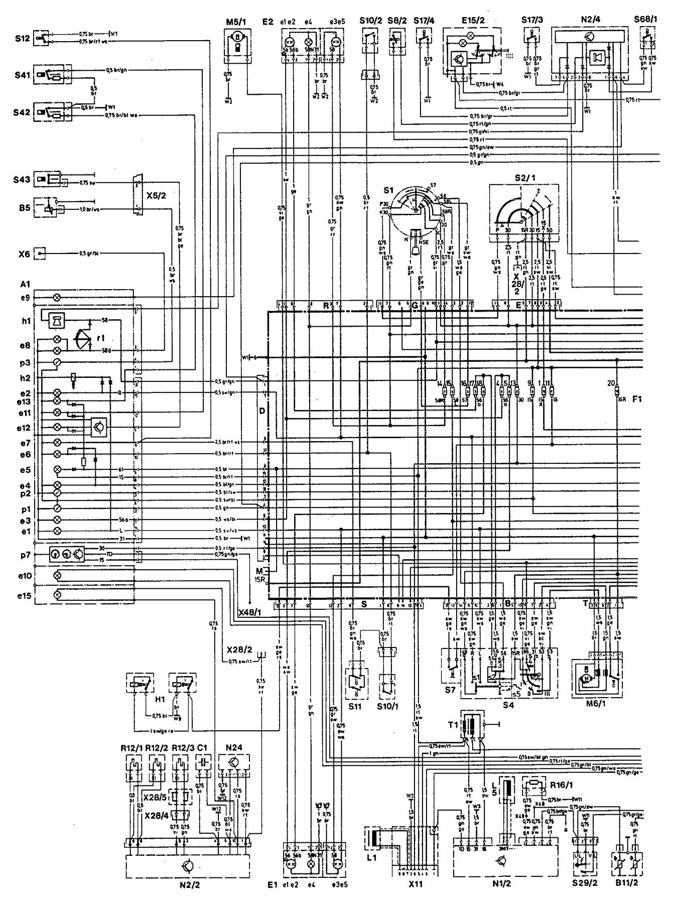
Mercedes Sprinter Wiring Diagram Pdf - Search Best 4K Wallpapers

Mercedes Sprinter Wiring Diagram Pdf - Search Best 4K Wallpapers www.smarts4k.com

It's Finally Ready - Please Critique My Wiring Diagram. | Page 3

It's finally ready - Please critique my wiring diagram. | Page 3 sprinter-source.com

sprinter wiring

[diagram] sprinter stock stereo upgrade and speaker replacement wiring. Jbl toyota camry harness rav4 highlander aftermarket joying bookingritzcarlton sprinter hizpo headcontrolsystem subwoofer installation. Mercedes w639 radio connections : mercedes benz vito 2004 2014 car