2013 ford explorer wiring diagram

2007 Nissan Versa Radio Wiring Diagram | schematic and wiring diagram. 18 Pics about 2007 Nissan Versa Radio Wiring Diagram | schematic and wiring diagram : [DIAGRAM] 2003 Ford Explorer Sport Trac Service Shop Manual Set Service, Pin on important day to day and also 2008 Ford Taurus 3.5 Firing Order | Wiring and Printable.

2007 Nissan Versa Radio Wiring Diagram | Schematic And Wiring Diagram

2007 Nissan Versa Radio Wiring Diagram | schematic and wiring diagram schematicandwiringdiagram.blogspot.com

wiring dakota

I Need A Wiring Diagram For A 2001 Ford Explorer Sport. The Rear Lite

I need a wiring diagram for a 2001 Ford Explorer Sport. the rear lite www.justanswer.com

ford explorer 2001 diagram wiring sport lite mechanic master daryl owner rear

2000 Ford Explorer Wiring Diagrams: Electrical Problem 2000 Ford

2000 Ford Explorer Wiring Diagrams: Electrical Problem 2000 Ford www.2carpros.com

wiring 2000 explorer ford diagrams diagram electrical

Where Can We Find A Free Online Ford Explorer Electrical Wiring Diagram?

Where can we find a free online ford explorer electrical wiring diagram? www.justanswer.com

wiring explorer diagram ford 2004 harness f150 system radio alarm electrical fuse box ranger taurus justanswer diagram3 2007 1999 imageservice

2008 Ford Taurus 3.5 Firing Order | Wiring And Printable

2008 Ford Taurus 3.5 Firing Order | Wiring and Printable fordfiringorder.com

taurus duratec ecoboost spark v6 7l mkx dohc fordfiringorder sixth plenum misfire

2011 Ford Escape Rear Wiper Wiring Diagram

2011 Ford Escape Rear Wiper Wiring Diagram wiringschems.blogspot.com

alternator ignition wiper circuit imageservice pcm mariner mercury ecm e350

[DIAGRAM] 2003 Ford Explorer Sport Trac Service Shop Manual Set Service

[DIAGRAM] 2003 Ford Explorer Sport Trac Service Shop Manual Set Service firediagram.blogspot.com

diagrama electrico trac ignition justanswer nesecito yoreparo

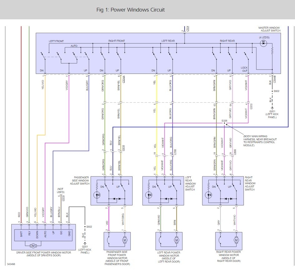
Power Windows Don't Work: My Power Windows Don't Work

Power Windows Don't Work: My Power Windows Don't Work www.2carpros.com

wiring diagram power edge ford fuse window windows a2 don 2carpros sponsored links

Wiring Diagram For A 1996 Ford Explorer Images | Wiring Collection

Wiring Diagram For A 1996 Ford Explorer Images | Wiring Collection headcontrolsystem.com

fixya 2005

I Need A Wiring Diagram For A 2001 Ford Explorer Sports Trac

I need a wiring diagram for a 2001 ford explorer sports trac www.justanswer.com

ford explorer diagram trac sport 2001 wiring 2007 escape radio wire 2004 limited 2005 needs need source snapontech

Pin On Important Day To Day

Pin on important day to day www.pinterest.com

explorer ford diagram system exhaust parts 2006 wiring location 2002 sport trac diagrams mountaineer 4x4 gain access mercury

2002 Ford Explorer Wiring Diagram / 2002 Ford Explorer Engine Diagram

2002 Ford Explorer Wiring Diagram / 2002 Ford Explorer Engine Diagram tutuluorci.blogspot.com

2carpros

28 2005 Ford Explorer Wiring Diagram - Wiring Database 2020

28 2005 Ford Explorer Wiring Diagram - Wiring Database 2020 rachelleogyaz.blogspot.com

trac 2004

28 2002 Ford Explorer Wiring Diagram - Wiring Database 2020

28 2002 Ford Explorer Wiring Diagram - Wiring Database 2020 rachelleogyaz.blogspot.com

ranger blower aircon explorerforum

[DIAGRAM] 2012 Ford Explorer Fuse Box Diagram FULL Version HD Quality

[DIAGRAM] 2012 Ford Explorer Fuse Box Diagram FULL Version HD Quality geinokaigi.xyz

motogurumag b3000 fuses justanswer

28 2002 Ford Explorer 40 Timing Chain Diagram - Wiring Diagram List

28 2002 Ford Explorer 40 Timing Chain Diagram - Wiring Diagram List skippingtheinbetween.blogspot.com

chain pulled

I Need A Wiring Diagram For A 2001 Ford Explorer Sport. The Rear Lite

I need a wiring diagram for a 2001 Ford Explorer Sport. the rear lite www.justanswer.com

explorer diagram ford 2001 wiring sport turn brake lite 2008 won right rear

Ford 4 0 Engine Diagram Thermostat - Wiring Diagram

Ford 4 0 Engine Diagram Thermostat - Wiring Diagram cars-trucks24.blogspot.com

pendingin merawat pendinginan manifold

Chain pulled. Wiring explorer diagram ford 2004 harness f150 system radio alarm electrical fuse box ranger taurus justanswer diagram3 2007 1999 imageservice. 28 2005 ford explorer wiring diagram